D341W手動通風蝶閥
|
 |
| D341W蝸輪通風蝶閥 不銹鋼 |
D341W蝸輪通風蝶閥 碳鋼 |
一、手動通風蝶閥 產品概述
上海禹滬公司的手動通風蝶閥采用與閥體相同材料加工成密封圈,其適用溫度隨閥體選材而定,公稱壓力≤0.6MPa。手動通風蝶閥一般適用于工業、冶金、環保等管道作通風調節介質流量之用。手動通風蝶閥其主要特點為:
1、設計新穎、合理、結構獨特,重量輕,啟閉迅速。
2、操力矩小,操作方便,省力靈巧。
3、采用適應的材料以滿足低、中、高不同介質溫度其及腐蝕性介質等。
二、手動通風蝶閥 采用標準
| 設計標準 |
GB/T2238-1989 |
| 法蘭連接尺寸 |
GB/T9113.1-2000;GB/T9115.1-2000;JB78 |
| 結構長度 |
GB/T12221-1989 |
| 壓力試驗 |
GB/T13927-1992;JB/T9092-1999 |
三、手動通風蝶閥 主要技術參數
| 公稱通徑 |
DN(mm) |
50~2000 |
| 公稱壓力 |
PN(MPa) |
0.05 |
0.25 |
0.6 |
| 試驗壓力 |
強度試驗 |
0.075 |
0.375 |
0.9 |
| 密封試驗 |
≤1%泄漏量 |
| 適用介質 |
煤氣、含塵氣體、煙道氣等。 |
| 驅動形式 |
手動、蝸桿蝸輪傳動、氣傳動、電傳動。 |
四、手動通風蝶閥 主要零件材料
| 零件名稱 |
材料 |
| 閥體 |
鑄鋼、不銹鋼、鉻鎳鉬鈦鋼、鉻鉬鈦鋼等特殊材料 |
| 蝶板 |
鑄鋼、不銹鋼、鉻鎳鉬鈦鋼、鉻鉬鈦鋼等特殊材料 |
| 密封圈 |
與閥體相同 |
| 閥桿 |
碳鋼、2Cr13、不銹鋼、鉻鎳鉬鈦鋼 |
| 填料 |
氟塑料、柔性石墨 |
五、手動通風蝶閥 蝶閥密封材料選用和適用溫度
| 材料品種 |
碳素鋼 |
低溫碳鋼 |
合金鋼 |
奧氏體不銹鋼 |
鉻鉬鋼 |
| 代號 |
WCB |
LCB |
WC6或 WC9 |
C5或or C12 |
鉻Cr-18型e、304、316 |
12CrMoV |
| 耐最高溫度 |
425℃ |
345℃ |
595℃ |
650℃ |
600℃ |
560℃ |
| 耐最低溫度e |
-29℃ |
-46℃ |
-29℃ |
-29℃ |
-196℃ |
-40℃ |
| 適用工作溫度 |
≤425℃ |
≤345℃ |
≤595℃ |
≤650℃ |
≤600℃ |
≤560℃ |
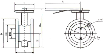
六、手動通風蝶閥 主要外形結構圖
 |
 |
| D41W手動通風蝶閥 (手柄傳動) |
D341W手動通風蝶閥 (蝸輪傳動) |
七、手動通風蝶閥 主要外形連接尺寸
(1)、D41W-0.05/0.25/0.6外形尺寸
| 公稱通徑 |
結構長度 |
外形尺寸 |
連接尺寸(標準值) |
| 0.05MPa和0.25MPa |
0.6MPa |
| 毫米 |
英寸 |
L |
H |
H0 |
A |
B |
D |
D1 |
D2 |
n-d |
D |
D1 |
D2 |
n-d |
| 50 |
2 |
108 |
70 |
215 |
270 |
65 |
140 |
110 |
88 |
4-14 |
140 |
110 |
88 |
4-14 |
| 65 |
21/2 |
112 |
80 |
235 |
270 |
65 |
160 |
130 |
108 |
4-14 |
160 |
130 |
108 |
4-14 |
| 80 |
3 |
114 |
95 |
263 |
270 |
65 |
190 |
150 |
124 |
4-18 |
190 |
150 |
124 |
4-18 |
| 100 |
4 |
127 |
105 |
283 |
270 |
65 |
210 |
170 |
144 |
4-18 |
210 |
170 |
144 |
4-18 |
| 125 |
5 |
140 |
120 |
313 |
310 |
65 |
240 |
200 |
174 |
8-18 |
240 |
200 |
174 |
8-18 |
| 150 |
6 |
140 |
132 |
338 |
310 |
65 |
265 |
225 |
199 |
8-18 |
265 |
225 |
199 |
8-18 |
(2)、D341W-0.05/0.25/0.6外形尺寸
| 公稱通徑 |
結構長度 |
外形尺寸 |
連接尺寸(標準值) |
| 0.05MPa和0.25MPa |
0.6MPa |
| 毫米 |
英寸 |
L |
H |
H0 |
A |
B |
D |
D1 |
D2 |
n-d |
D |
D1 |
D2 |
n-d |
| 50 |
2 |
108 |
70 |
286 |
125 |
193 |
140 |
110 |
88 |
4-18 |
140 |
110 |
88 |
4-14 |
| 65 |
21/2 |
112 |
80 |
306 |
125 |
193 |
160 |
130 |
108 |
4-18 |
160 |
130 |
108 |
4-14 |
| 80 |
3 |
114 |
95 |
334 |
125 |
193 |
190 |
150 |
124 |
4-18 |
190 |
150 |
124 |
4-18 |
| 100 |
4 |
127 |
105 |
354 |
125 |
193 |
210 |
170 |
144 |
4-18 |
210 |
170 |
144 |
4-18 |
| 125 |
5 |
140 |
120 |
384 |
125 |
193 |
240 |
200 |
174 |
8-18 |
240 |
200 |
174 |
8-18 |
| 150 |
6 |
140 |
132 |
409 |
125 |
193 |
265 |
225 |
199 |
8-18 |
265 |
225 |
199 |
8-18 |
| 200 |
8 |
152 |
160 |
593 |
165 |
183 |
320 |
280 |
254 |
8-18 |
320 |
280 |
254 |
8-18 |
| 250 |
10 |
165 |
187 |
650 |
165 |
283 |
375 |
335 |
309 |
12-18 |
375 |
335 |
309 |
12-18 |
| 300 |
12 |
178 |
220 |
715 |
165 |
283 |
440 |
395 |
363 |
12-22 |
440 |
395 |
363 |
12-22 |
| 350 |
14 |
190 |
245 |
814 |
175 |
334 |
490 |
445 |
413 |
12-22 |
490 |
445 |
413 |
12-22 |
| 400 |
16 |
216 |
270 |
863 |
175 |
334 |
540 |
495 |
463 |
16-22 |
540 |
495 |
463 |
16-22 |
| 450 |
18 |
222 |
297 |
918 |
175 |
334 |
595 |
550 |
518 |
16-22 |
595 |
550 |
518 |
16-22 |
| 500 |
20 |
229 |
322 |
1016 |
210 |
425 |
645 |
600 |
568 |
20-22 |
645 |
600 |
568 |
20-22 |
| 600 |
24 |
267 |
377 |
1128 |
210 |
425 |
755 |
705 |
667 |
20-26 |
755 |
705 |
667 |
20-26 |
| 700 |
28 |
292 |
430 |
1233 |
210 |
425 |
860 |
810 |
772 |
24-26 |
860 |
810 |
772 |
24-26 |
| 800 |
32 |
318 |
487 |
1344 |
210 |
425 |
975 |
920 |
878 |
24-30 |
975 |
920 |
878 |
24-30 |
| 900 |
36 |
330 |
537 |
1560 |
320 |
620 |
1075 |
1020 |
978 |
24-30 |
1075 |
1020 |
978 |
24-30 |
| 1000 |
40 |
410 |
587 |
1660 |
320 |
620 |
1175 |
1120 |
1078 |
28-30 |
1175 |
1120 |
1078 |
28-30 |
| 1200 |
48 |
470 |
687 |
1890 |
320 |
620 |
1375 |
1320 |
1280 |
32-30 |
1405 |
1340 |
1295 |
32-33 |
| 1400 |
56 |
530 |
760 |
2670 |
575 |
714 |
1575 |
1520 |
1480 |
36-30 |
1630 |
1560 |
1510 |
36-36 |
| 1600 |
64 |
600 |
895 |
2810 |
575 |
714 |
1790 |
1730 |
1690 |
40-30 |
1830 |
1760 |
1710 |
40-36 |
| 1800 |
72 |
670 |
995 |
3020 |
575 |
714 |
1990 |
1930 |
1890 |
44-30 |
2045 |
1970 |
1918 |
44-39 |
| 2000 |
80 |
760 |
1095 |
3220 |
656 |
810 |
2190 |
2130 |
2090 |
48-30 |
2265 |
2180 |
2125 |
48-42 |
八、手動通風蝶閥 產品選型
閥體參數:公稱通徑、工作壓力、工藝介質、使用場合、閥體材料等系列參數。
盡量詳細提供手動通風蝶閥的技術參數,方便我公司經營及技術人員為您準確選型。如有任何疑問.您可以致電給我們,我們一定會盡心盡力為您提供優質的服務!
溫馨提示:如需詳細產品資料,請與本公司技術部或銷售部聯系,聯系電話021-51078175。
相關名稱:手動通風蝶閥,空氣蝶閥,煙氣蝶閥